InicioTemas de AprendizajesRegulaciónDiseño de estaciones de regulación mecánica de vapor

Diseño de estaciones de regulación mecánica de vapor

DISEÑO DE ESTACIONES DE REGULACIÓN MECÁNICA DE VAPOR

El diseño de una estación de regulación mecánica de vapor es un proceso crítico que garantiza la operación eficiente, segura y controlada de sistemas de distribución de vapor. La correcta selección y dimensionamiento de sus componentes depende de variables operativas clave y criterios técnicos específicos. El diseño es crucial para garantizar la eficiencia, seguridad y el control preciso de la presión del vapor en un sistema.

VARIABLES DE DISEÑO FUNDAMENTALES

Caudal de Vapor

  • El caudal másico de vapor (mínimo y máximo) es la variable principal en el diseño de la estación.
  • Su cálculo se basa en la demanda térmica de los equipos de proceso que recibirán el vapor.
  • Su impacto determina el tamaño de la tubería, la válvula de control y el coeficiente de caudal Cv requerido.
  • Las unidades típicas son kg/h o lb/h.

Presiones y Temperatura Operativa

  • Presión de entrada (Pent o P1): Corresponde a la presión de suministro aguas arriba.
  • Presión de salida (Psal o P2): Es la presión de consigna requerida por el proceso aguas abajo.
  • Temperatura del vapor (T): Necesaria para calcular la densidad o volumen específico del vapor, lo cual influye directamente en el cálculo del Cv.

Salto de Presión (Delta P)

  • La caída de presión a través de la válvula de control se define como la diferencia entre la presión de entrada y la de salida (Delta P = Pent – Psal).
  • Consideraciones: Un Delta P muy pequeño puede requerir una válvula de gran tamaño. Un Delta P excesivo puede provocar velocidad sónica, ruido elevado y desgaste prematuro.

Coeficiente de Caudal (Cv)

  • El Cv representa la capacidad de paso de la válvula y define su tamaño.
  • Se calcula mediante fórmulas específicas para vapor saturado o sobrecalentado, considerando presión, temperatura y caudal.

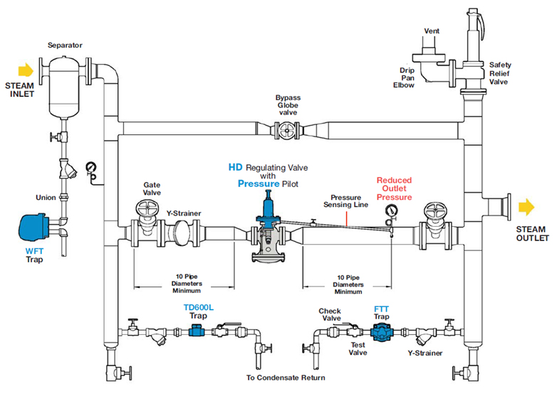
COMPONENTES CLAVE DE UNA ESTACIÓN DE REGULACIÓN

Una estación de regulación de vapor estándar consta de varios componentes esenciales, dispuestos en una configuración específica.

  1. Válvula Reguladora de Presión (VRP): Es el componente principal que reduce y mantiene automáticamente la presión de salida (secundaria) a un valor constante. Se elige entre acción directa (para caudales pequeños y regulaciones menos precisas) o piloto operada (para caudales grandes y regulaciones muy estables).
  1. Válvula de Bloqueo o Aislamiento: Permiten el aislamiento completo de la estación para mantenimiento. Se instalan antes del filtro y después del regulador.
  1. Filtro (Colador o Strainer): Protege la VRP y otros componentes sensibles al remover partículas sólidas (suciedad, óxido) del vapor. Siempre instalado antes de la VRP.
  1. Manómetros: Indican la presión del vapor en puntos clave. Se instalan aguas arriba (presión primaria) y aguas abajo (presión secundaria regulada).
  1. Válvula de Seguridad (Válvula de Alivio): Protege el sistema de baja presión aguas abajo contra la sobrepresión en caso de falla del regulador. Se instala después del regulador.
  1. Separador de Humedad (Opcional): Elimina el condensado y la humedad del vapor antes de que entre al regulador, lo cual es vital para la vida útil del regulador y la calidad del vapor.
  1. Purgadores de Condensado (Trampas de Vapor): Drenan el condensado que se forma en la tubería y en los separadores. Se requieren en los puntos bajos del sistema, incluyendo antes del regulador si hay un separador o un tramo largo de tubería horizontal.

PASOS CLAVE PARA EL DISEÑO Y DIMENSIONAMIENTO

El diseño debe seguir un enfoque sistemático para asegurar el rendimiento adecuado.

  1. Determinar Requisitos de Operación:
  • Establecer el Caudal Máximo, Presión Primaria (P1), Presión Secundaria (P2), y Temperatura de Diseño requerida.

2. Selección de la Válvula Reguladora de Presión (VRP)

  • La válvula no debe seleccionarse por el tamaño de la tubería, sino por su capacidad (coeficiente Cv) para manejar el caudal máximo a la caída de presión (Delta P = P1 – P2).
  • Una válvula sobredimensionada puede causar inestabilidad y erosión.

3. Dimensionamiento de Tuberías

  • El diámetro de las tuberías se selecciona según velocidades recomendadas para vapor, evitando erosión, ruido y pérdidas excesivas de presión.
  • Tubería de salida: Suele ser de mayor diámetro para compensar el aumento del volumen específico del vapor tras la caída de presión.
  • Tubería de entrada: Usualmente coincide con el tamaño nominal de la conexión de entrada de la válvula.

4. Diseño del Bypass (Derivación)

  • Se recomienda una línea de bypass con una válvula manual para permitir el suministro de vapor mientras la estación principal está en mantenimiento.
  • Nota importante: El bypass debe usarse solo temporalmente y con mucho cuidado, ya que la válvula manual puede ser difícil de controlar con precisión.

5. Instalación y Disposición

  • Espacio Mínimo: Se debe respetar un tramo recto de tubería de longitud recomendada (usualmente 5 a 10 veces el diámetro nominal) antes y después del regulador para asegurar un flujo estable.
  • Orientación: Instalar el regulador en la posición recomendada por el fabricante (usualmente horizontal para facilitar el drenaje) y siguiendo la dirección de flujo marcada.

CONSIDERACIONES ADICIONALES

  • Materiales: Seleccionar materiales compatibles con las condiciones de presión y temperatura del vapor (ej. acero al carbono o inoxidable).
  • Drenaje de condensado: Instalar trampas de vapor aguas arriba de la válvula para asegurar el paso de vapor seco y proteger los componentes internos.
  • Un diseño adecuado requiere consultar las tablas y especificaciones técnicas de los fabricantes de válvulas y componentes.

¿Cómo funciona una caldera de vapor?

¿Cómo funciona una caldera de vapor? Los generadores de vapor industriales son dispositivos fabricados en metal que se utilizan para generar vapor para la producción de energía eléctrica y mecánica. El equipo, ampliamente utilizado por empresas...

Sigue explorando...